Encoder RES-184S6S-9D14B-H1151

Absolute Rotary Encoder – Single-Turn

Industrial Line

Part number: 100016326

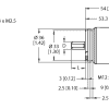
    • Synchro flange, Ø 36 mm
    • Solid shaft, Ø 6 mm × 12.5 mm
    • Magnetic measuring principle
    • Shaft material: stainless steel
    • Protection class IP67 on housing and shaft side
    • ‐40…+85 °C
    • Max. 4000 rpm (continuous operation 2000 rpm)
    • 10…30 VDC
    • CANopen
    • M12 × 1 male connector, 5-pin
    • 360° resolved in 14 bit (16384 positions)