Encoder RES-180SA0S-7AAL-H1151/N0
đại lý RES-180SA0S-7AAL-H1151/N0
nhà phân phối RES-180SA0S-7AAL-H1151/N0
Thông số chung
| EAN | 4047101545197 |
| eCl@ss-Code (V5.1.4): | 27270501 -/- Encoder, absolute |
| Mã HS | 90328900900 |
| Xuất xứ | DE |
| Khối lượng | 200 g |
Thông số kỹ thuật Encoder Turck:
| Dòng mã hóa | Industrial-Line |
| Công nghệ | Từ tính |
| Output type | Absolute singleturn |
| Loại trục | Solid shaft |
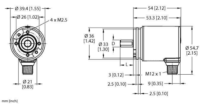
| Đường kính trục D [mm] | 6.35 mm |
| Đường kính mặt bích | Ø 36 mm |
| Kiểu mặt bích | Synchro flange |
| Phạm vi đo | 0…360° |
| Điện áp hoạt động | 10…30 VDC |
| Chức năng đầu ra | Analog output |
| Dòng điện đầu ra | 4…20 mA |
| Kết nối điện | Connector, M12 × 1 |
| Vật liệu thân | Die-cast zinc |
| Nhiệt độ môi trường | -40…+85 °C |
| Cấp bảo vệ shaft | IP67 |
| Cấp bảo vệ | IP67 |



