Encoder REM-105SA0S-9D32B-B1M12/N46
đại lý REM-105SA0S-9D32B-B1M12/N46
nhà phân phối REM-105SA0S-9D32B-B1M12/N46
Thông số chung
| EAN | 4047101547702 |
| eCl@ss-Code (V5.1.4): | 27270501 -/- Encoder, absolute |
| Mã HS | 90328900900 |
| Xuất xứ | DE |
| Khối lượng | 450 g |
Thông số kỹ thuật Encoder Turck:
| Dòng mã hóa | Industrial-Line |
| Công nghệ | Optical |
| Output type | Absolute multiturn |
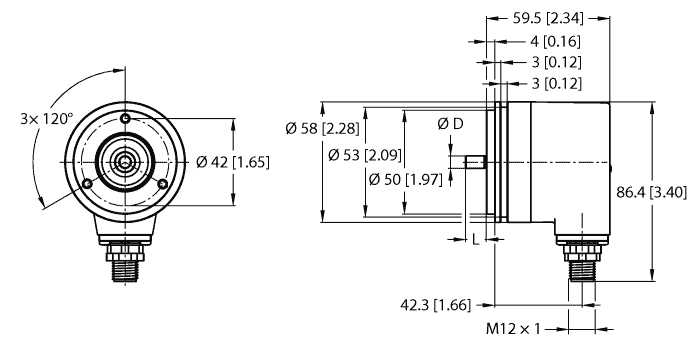
| Loại trục | Solid shaft |
| Đường kính trục D [mm] | 6.35 mm |
| Đường kính mặt bích | Ø 58 mm |
| Kiểu mặt bích | Synchro flange |
| Điện áp hoạt động | 10…30 VDC |
| Giao thức truyền thông | CANopen |
| Kết nối điện | Connector, M12 × 1 |
| Vật liệu thân | Die-cast zinc |
| Nhiệt độ môi trường | -40…+80 °C |
| Cấp bảo vệ shaft | IP67 |
| Cấp bảo vệ | IP67 |



