Encoder REM-100B6T-3C12S12M-H1181

Absolute Rotary Encoder – Multiturn

Industrial Line

Part number: 100011275

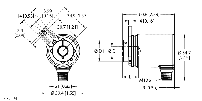
    • Flange with mounting element
    • Blind hole hollow shaft, Ø 6 mm (plug-in depth max. 18.5 mm)
    • Magnetic measuring principle
    • Shaft material: stainless steel
    • Protection class IP67 on housing and shaft side
    • ‐40…+85 °C
    • Max. 4000 rpm (continuous operation 2000 rpm)
    • Energy harvesting technology
    • 10…30 VDC
    • SSI, gray
    • M12 × 1 male, 8-pin
    • Singleturn, 12-bit resolution
    • Multiturn, 12-bit resolution