Encoder REI-E-114I8E-4B1024-H1181
đại lý REI-E-114I8E-4B1024-H1181
nhà phân phối REI-E-114I8E-4B1024-H1181
Thông số chung
| EAN | 4047101546057 |
| eCl@ss-Code (V5.1.4): | 27270502 -/- Encoder, incremental |
| Mã HS | 90328900900 |
| Xuất xứ | IN |
| Khối lượng | 361 g |
Thông số kỹ thuật Encoder Turck:
| Dòng mã hóa | Efficiency-Line |
| Công nghệ | Optical |
| Output type | Incremental |
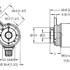
| Loại trục | Hollow shaft |
| Đường kính trục D [mm] | 8 mm |
| Đường kính mặt bích | Ø 63 mm |
| Kiểu mặt bích | Flange with stator coupling |
| Resolution, incremental | 1024 ppr |
| Điện áp hoạt động | 5…30 VDC |
| Chức năng đầu ra | RS422/TTL, invertable |
| Kết nối điện | Connector, M12 × 1 |
| Vật liệu thân | Die-cast zinc |
| Nhiệt độ môi trường | -20…+70 °C |
| Cấp bảo vệ shaft | IP64 |
| Cấp bảo vệ | IP64 |



