Encoder REI-E-111TA0C-2B2500-C
đại lý REI-E-111TA0C-2B2500-C
nhà phân phối REI-E-111TA0C-2B2500-C
Thông số chung
| EAN | 4047101545838 |
| eCl@ss-Code (V5.1.4): | 27270502 -/- Encoder, incremental |
| Mã HS | 90328900900 |
| Xuất xứ | IN |
| Khối lượng | 170 g |
Thông số kỹ thuật Encoder Turck:
| Dòng mã hóa | Efficiency-Line |
| Công nghệ | Optical |
| Output type | Incremental |
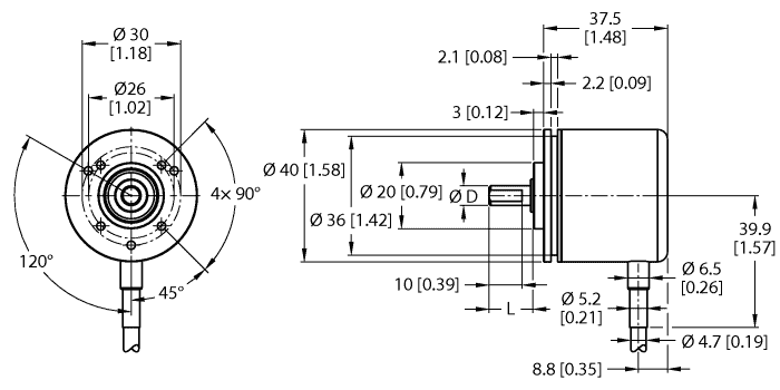
| Loại trục | Solid shaft |
| Đường kính trục D [mm] | 6.35 mm |
| Đường kính mặt bích | Ø 40 mm |
| Kiểu mặt bích | Synchro/clamping flange |
| Resolution, incremental | 2500 ppr |
| Điện áp hoạt động | 10…30 VDC |
| Chức năng đầu ra | Push-Pull/HTL, invertable |
| Kết nối điện | Cable |
| Vật liệu thân | Aluminium |
| Nhiệt độ môi trường | -20…+70 °C |
| Cấp bảo vệ shaft | IP64 |
| Cấp bảo vệ | IP64 |



