Encoder REI-E-111T6C-4A500-C
đại lý REI-E-111T6C-4A500-C
nhà phân phối REI-E-111T6C-4A500-C
Thông số chung
| eCl@ss-Code (V5.1.4): | 27270502 -/- Encoder, incremental |
| Mã HS | 90328900900 |
| Xuất xứ | IN |
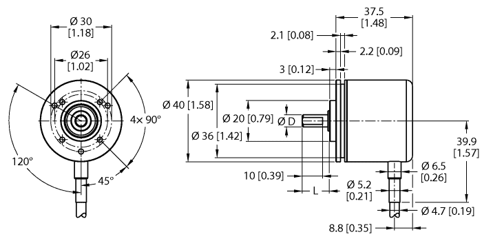
| Khối lượng | 244 g |
Thông số kỹ thuật Encoder Turck:
| Dòng mã hóa | Efficiency-Line |
| Công nghệ | Optical |
| Output type | Incremental |
| Loại trục | Solid shaft |
| Đường kính trục D [mm] | 6 mm |
| Đường kính mặt bích | Ø 40 mm |
| Kiểu mặt bích | Synchro/clamping flange |
| Resolution, incremental | 500 ppr |
| Chức năng đầu ra | RS422/TTL, invertable |
| Kết nối điện | Cable |
| Vật liệu thân | Aluminium |
| Nhiệt độ môi trường | -20…+70 °C |
| Cấp bảo vệ shaft | IP64 |
| Cấp bảo vệ | IP64 |



