Encoder REI-12H8E-2B4096-H1181
đại lý REI-12H8E-2B4096-H1181
nhà phân phối REI-12H8E-2B4096-H1181
Thông số chung
| EAN | 4047101551143 |
| eCl@ss-Code (V5.1.4): | 27270502 -/- Encoder, incremental |
| Mã HS | 90328900900 |
| Xuất xứ | DE |
| Khối lượng | 400 g |
Thông số kỹ thuật Encoder Turck:
| Dòng mã hóa | Industrial-Line |
| Công nghệ | Optical |
| Output type | Incremental |
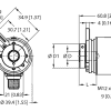
| Loại trục | Hollow shaft |
| Đường kính trục D [mm] | 8 mm |
| Đường kính mặt bích | Ø 63 mm |
| Kiểu mặt bích | Flange with stator coupling |
| Resolution, incremental | 4096 ppr |
| Điện áp hoạt động | 10…30 VDC |
| Chức năng đầu ra | Push-Pull/HTL, invertable |
| Kết nối điện | Connector, M12 × 1 |
| Vật liệu thân | Die-cast zinc |
| Nhiệt độ môi trường | -40…+85 °C |
| Cấp bảo vệ shaft | IP67 |
| Cấp bảo vệ | IP67 |



