Encoder REI-10S6S-4B2500-H1181
đại lý REI-10S6S-4B2500-H1181
nhà phân phối REI-10S6S-4B2500-H1181
Thông số chung
| EAN | 4047101552423 |
| eCl@ss-Code (V5.1.4): | 27270502 -/- Encoder, incremental |
| Mã HS | 90328900900 |
| Xuất xứ | DE |
| Khối lượng | 400 g |
Thông số kỹ thuật Encoder Turck:
| Dòng mã hóa | Industrial-Line |
| Công nghệ | Optical |
| Output type | Incremental |
| Loại trục | Solid shaft |
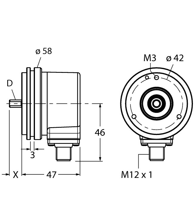
| Đường kính trục D [mm] | 6 mm |
| Đường kính mặt bích | Ø 58 mm |
| Kiểu mặt bích | Synchro flange |
| Resolution, incremental | 2500 ppr |
| Điện áp hoạt động | 5…30 VDC |
| Chức năng đầu ra | RS422/TTL, invertable |
| Kết nối điện | Connector, M12 × 1 |
| Vật liệu thân | Die-cast zinc |
| Nhiệt độ môi trường | -40…+85 °C |
| Cấp bảo vệ shaft | IP67 |
| Cấp bảo vệ | IP67 |



