Encoder REI-10S12C-4B1024-H1181

Incremental Encoder

Industrial Line

Part number: 100010273

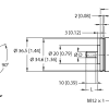
    • Clamping flange, Ø 58 mm
    • Solid shaft, Ø 12 mm × 20 mm
    • Optical measuring principle
    • Shaft material: stainless steel
    • Protection class IP67 on housing and shaft side
    • ‐40…+85 °C
    • Max. 6000 rpm (continuous operation 3000 rpm)
    • 5…30 VDC
    • RS422/TTL invertible
    • Pulse frequency max. 300 kHz
    • M12 × 1 male connector, 8-pin
    • 1024 pulses per revolution