Encoder REI-05IA0T-2H2500-H1181
đại lý REI-05IA0T-2H2500-H1181
nhà phân phối REI-05IA0T-2H2500-H1181
Thông số chung
| EAN | 4047101549973 |
| eCl@ss-Code (V5.1.4): | 27270502 -/- Encoder, incremental |
| Mã HS | 90328900900 |
| Xuất xứ | DE |
| Khối lượng | 119 g |
Thông số kỹ thuật Encoder Turck:
| Dòng mã hóa | Industrial-Line |
| Công nghệ | Optical |
| Output type | Incremental |
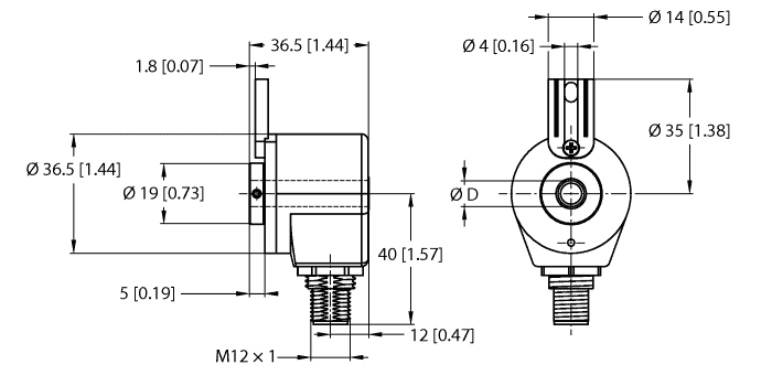
| Loại trục | Hollow shaft |
| Đường kính trục D [mm] | 6.35 mm |
| Đường kính mặt bích | Ø 36.5 mm |
| Kiểu mặt bích | Flange with mounting element |
| Resolution, incremental | 2500 ppr |
| Điện áp hoạt động | 8…30 VDC |
| Chức năng đầu ra | Push-Pull/HTL, invertable |
| Kết nối điện | Connector, M12 × 1 |
| Vật liệu thân | Aluminum chromated |
| Nhiệt độ môi trường | -20…+85 °C |
| Cấp bảo vệ shaft | IP50 |
| Cấp bảo vệ | IP65 |



