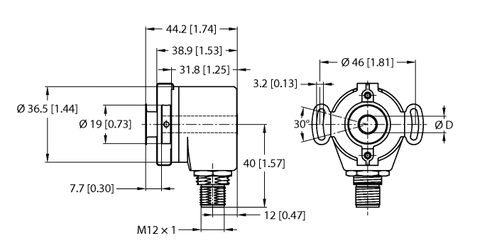
Encoder REI-05I6E-2H500-H1181

Incremental Encoder

Industrial Line

Part number: 100011187

    • Flange with stator coupling, Ø 46 mm
    • Hollow shaft, Ø 6 mm
    • Optical measuring principle
    • Shaft material: brass
    • Protection class shaft IP50
    • Protection class housing IP65
    • -20…+85 °C
    • Max. 6000 rpm
    • 8…30 VDC
    • Push-pull/HTL invertible
    • Pulse frequency max. 200 kHz
    • M12 × 1 male connector, 8-pin
    • 500 pulses per revolution