Cảm biến PT6R-1004-IX-H1143
đại lý PT6R-1004-IX-H1143
nhà phân phối PT6R-1004-IX-H1143
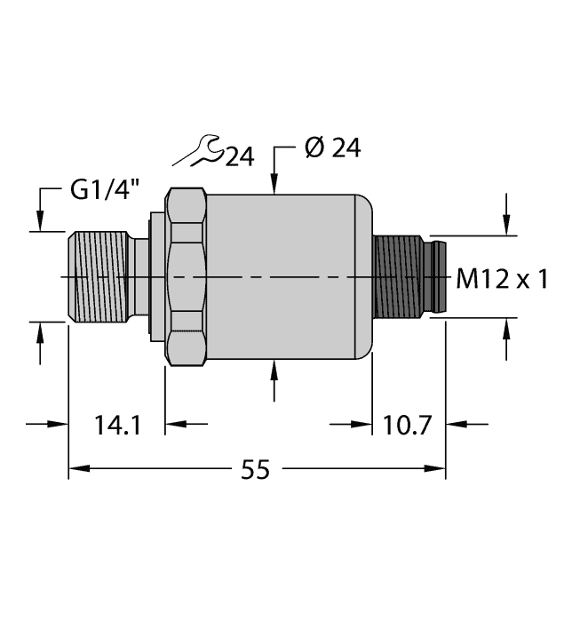
Thông số chung
| EAN | 4047101523645 |
| eCl@ss-Code (V5.1.4): | 27200614 -/- Piezoresistive sensor (absolute and relative pressure) |
| Mã HS | 90262020000 |
| Xuất xứ | CH |
| Khối lượng | 95 g |
Thông số kỹ thuật cảm biến Turck:
| Thiết kế | Without display |
| Kết nối quá trình | G 1/4” male thread |
| Loại áp suất | Relative pressure |
| Dải do bar | 0…6 bar |
| Dải do psi | 0…87.02 psi |
| Điện áp hoạt động | 10…30 VDC |
| Electrical output | Dong điện đầu ra (2-wire) |
| Dong điện đầu ra | 4…20 mA |
| Kết nối điện | Connector, M12 × 1 |
| Vật liệu thân | Stainless-steel/Plastic, 1.4404 (AISI 316L)/polyarylamide 50 % GF UL 94 V-0 |
| Vật liệu chuyển đổi áp suất | Ceramic Al₂O₃ |
| Nhiệt độ trung bình | -30…+120 °C |
| Nhiệt độ môi trường | -25…+85 °C |
| Cấp bảo vệ | IP67 |
| Phê duyệt | ATEX II 1/2 GD, CE, IECEx II 1/2 GD, UKEx, GOST / EAC RU, metrological certification (RUS), cULus |



