Cảm biến PT250R-2104-U6-H1141
đại lý PT250R-2104-U6-H1141
nhà phân phối PT250R-2104-U6-H1141
Thông số chung
| EAN | 4047101530162 |
| eCl@ss-Code (V5.1.4): | 27200614 -/- Piezoresistive sensor (absolute and relative pressure) |
| Mã HS | 90262020000 |
| Xuất xứ | CH |
| Khối lượng | 90 g |
Thông số kỹ thuật cảm biến Turck:
| Thiết kế | Without display |
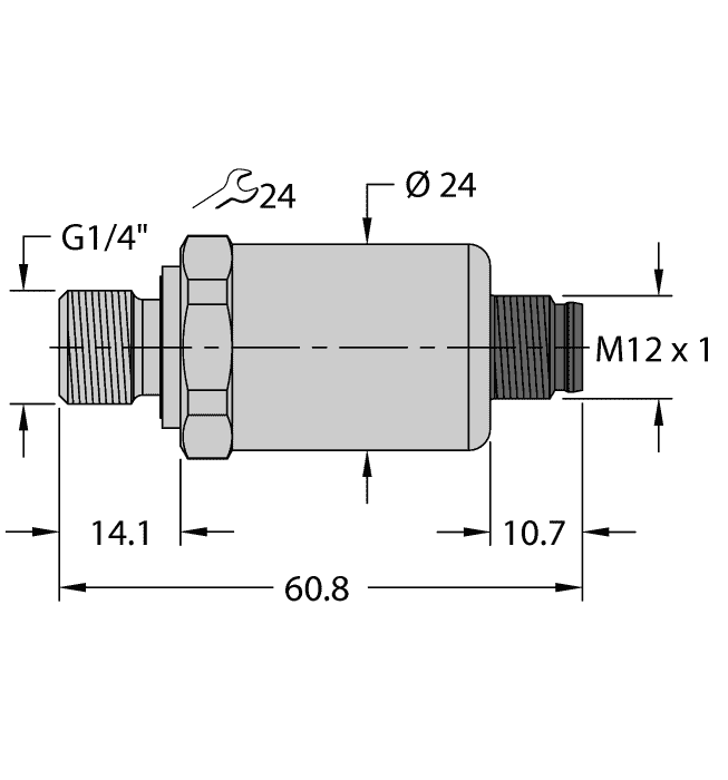
| Kết nối quá trình | G 1/4” male thread |
| Loại áp suất | Relative pressure |
| Dải do bar | 0…250 bar |
| Dải do psi | 0…3625.95 psi |
| Điện áp hoạt động | 4.5…5.5 VDC |
| Electrical output | Voltage output (3-wire) |
| Voltage output | 0.5…4.5 V |
| Kết nối điện | Connector, M12 × 1 |
| Vật liệu thân | Stainless-steel/Plastic, 1.4404 (AISI 316L)/polyarylamide 50 % GF UL 94 V-0 |
| Vật liệu chuyển đổi áp suất | Stainless steel 1.4404 (AISI 316L) |
| Nhiệt độ trung bình | -40…+125 °C |
| Nhiệt độ môi trường | -40…+100 °C |
| Cấp bảo vệ | IP69K |



