Cảm biến PT2.5V-1004-IOL-H1141
đại lý PT2.5V-1004-IOL-H1141
nhà phân phối PT2.5V-1004-IOL-H1141
Thông số chung
| EAN | 4047101593785 |
| eCl@ss-Code (V5.1.4): | 27200614 -/- Piezoresistive sensor (absolute and relative pressure) |
| Mã HS | 90262020000 |
| Xuất xứ | CH |
| Khối lượng | 84 g |
Thông số kỹ thuật cảm biến Turck:
| Thiết kế | Without display |
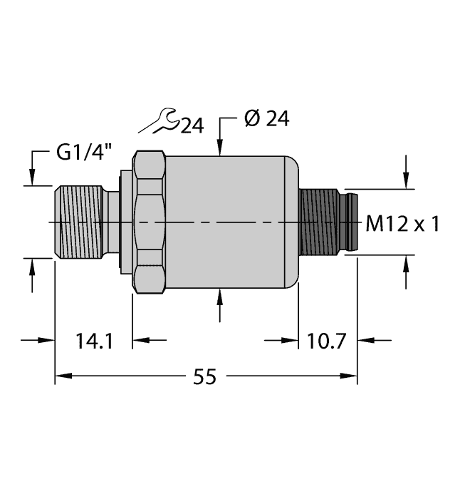
| Kết nối quá trình | G 1/4” male thread |
| Loại áp suất | Relative pressure |
| Dải do bar | -1…2.5 bar |
| Dải do psi | -14.5…36.26 psi |
| Điện áp hoạt động | 18…33 VDC |
| Electrical output | 2 × switching output |
| Giao thức truyền thông | IO-Link |
| Kết nối điện | Connector, M12 × 1 |
| Vật liệu thân | Stainless-steel/Plastic, 1.4404 (AISI 316L)/polyarylamide 50 % GF UL 94 V-0 |
| Vật liệu chuyển đổi áp suất | Ceramic Al₂O₃ |
| Nhiệt độ trung bình | -40…+125 °C |
| Nhiệt độ môi trường | -30…+85 °C |
| Cấp bảo vệ | IP67 |
| Phê duyệt | CE, metrological certification (RUS), cULus |



