Cảm biến PT10R-1004-IOL-H1141

Pressure Transmitter

With 2 Switching Outputs and IO-Link

Part number: 100017802

    • Ceramic measuring cell
    • Compact and robust design
    • Excellent EMC properties
    • Pressure range 0…10 bar rel.
    • 18…33 V DC
    • NO/NC contact, 2 × PNP/NPN outputs, IO-Link
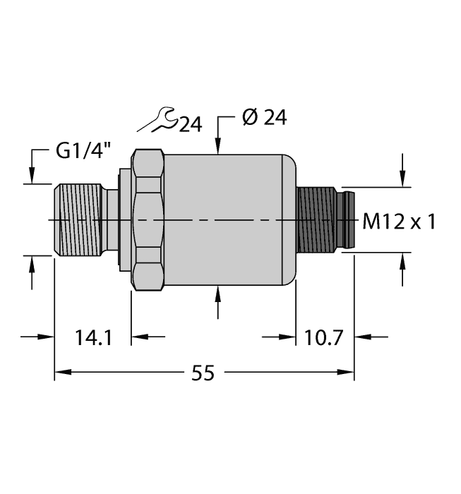
    • Process connection G1/4″ male thread (DIN 3852-E)
    • Connector device, M12 × 1