Cảm biến PT1.6R-1004-U1-H1143
đại lý PT1.6R-1004-U1-H1143
nhà phân phối PT1.6R-1004-U1-H1143
Thông số chung
| EAN | 4047101401660 |
| eCl@ss-Code (V5.1.4): | 27200614 -/- Piezoresistive sensor (absolute and relative pressure) |
| Mã HS | 90262020000 |
| Xuất xứ | CH |
| Khối lượng | 84 g |
Thông số kỹ thuật cảm biến Turck:
| Thiết kế | Without display |
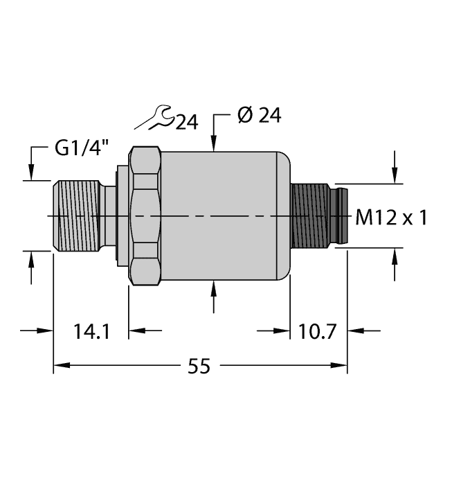
| Kết nối quá trình | G 1/4” male thread |
| Loại áp suất | Relative pressure |
| Dải do bar | 0…1.6 bar |
| Dải do psi | 0…23.21 psi |
| Điện áp hoạt động | 12…33 VDC |
| Electrical output | Voltage output (3-wire) |
| Voltage output | 0…10 V |
| Kết nối điện | Connector, M12 × 1 |
| Vật liệu thân | Stainless-steel/Plastic, 1.4404 (AISI 316L)/polyarylamide 50 % GF UL 94 V-0 |
| Vật liệu chuyển đổi áp suất | Ceramic Al₂O₃ |
| Nhiệt độ trung bình | -40…+125 °C |
| Nhiệt độ môi trường | -30…+85 °C |
| Cấp bảo vệ | IP67 |
| Phê duyệt | CE, metrological certification (RUS), cULus |



