Cảm biến PT0.2V-1004-IX-H1143

Pressure Transmitter

With Current Output (2-Wire)

Part number: 100007808

    • Ceramic measuring cell
    • Compact and robust design
    • Excellent EMC properties
    • Pressure range -0.2…0.2 bar rel.
    • 10…30 VDC
    • Analog output 4…20 mA
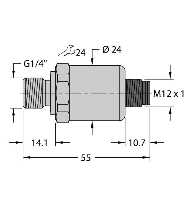
    • Process connection G1/4″ male thread (DIN 3852-E)
    • Connector device, M12 × 1
    • ATEX, IECEx
    • Category II 1/2 GD, Ex zone 0