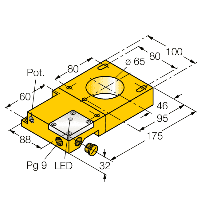
Cảm biến NI65R-S32SR-VP44X

Cảm biến tiệm cận Turck

Ring Sensor

Part number: 1440008

    • Rectangular, height 32 mm
    • Plastic, ABS
    • Static output behavior
    • Sensitivity adjusted via potentiometer
    • Modular design, ring probe and switching amplifier also separately mountable
    • Output pulse length min. 100 ms
    • DC 4-wire, 10…55 VDC
    • Changeover contact, PNP output
    • Terminal chamber