Cảm biến NI3-EH6.5K-AP6X
đại lý NI3-EH6.5K-AP6X
nhà phân phối NI3-EH6.5K-AP6X
Thông số chung
| EAN | 4047101155136 |
| eCl@ss-Code (V5.1.4): | 27270101 -/- Inductive proximity switch |
| Mã HS | 85365019900 |
| Xuất xứ | LK |
| Khối lượng | 35 g |
Thông số kỹ thuật cảm biến Turck:
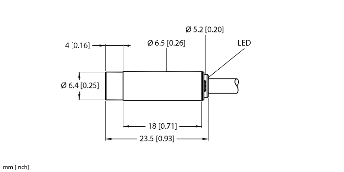
| Thiết kế | Smooth barrel |
| Kích thước ren | Ø 6.5 mm |
| Khoảng cách phát hiện | 3 mm |
| Kết nối | Non-flush |
| Điện áp hoạt động | 10…30 VDC |
| Chức năng đầu ra | NO contact, PNP |
| Tần số chuyển đổi | 3.0 kHz |
| Kết nối điện | Cable |
| Chiều dài cáp | 2.0 m |
| Vật liệu thân | Stainless steel, 1.4305 (AISI 303) |
| Nhiệt độ môi trường | -25…+70 °C |
| Cấp bảo vệ | IP67 |



