Cảm biến FP100-3000G-30-NA-2M
đại lý FP100-3000G-30-NA-2M
nhà phân phối FP100-3000G-30-NA-2M
Thông số chung
| EAN | 4047101447866 |
| eCl@ss-Code (V5.1.4): | 27273190 -/- Flow meter (not classified) |
| Mã HS | 90261021000 |
| Xuất xứ | DE |
| Khối lượng | 300 g |
Thông số kỹ thuật cảm biến Turck:
| Chức năng | Flow monitoring |
| Thiết kế | Without display (integrated probe) |
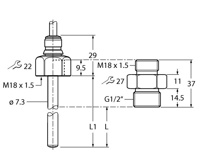
| Bar length (L1) | 45 mm |
| Immersion depth (L) | 16.9 mm |
| Kết nối điện | Cable |
| Vật liệu thân | Stainless steel, 1.4571 (AISI 316Ti) |
| Nhiệt độ trung bình | 10…+180 °C |
| Nhiệt độ môi trường | -40…+160 °C |
| Cấp bảo vệ | IP66/IP67/IP69K |
| Phê duyệt | CE, cULus |



