Cảm biến FCS-DN50A4-NAEX/L140/D155
đại lý FCS-DN50A4-NAEX/L140/D155
nhà phân phối FCS-DN50A4-NAEX/L140/D155
Thông số chung
| EAN | 4047101176537 |
| eCl@ss-Code (V5.1.4): | 27273190 -/- Flow meter (not classified) |
| Mã HS | 90261021000 |
| Xuất xứ | DE |
| Khối lượng | 5000 g |
Thông số kỹ thuật cảm biến Turck:
| Chức năng | Flow monitoring |
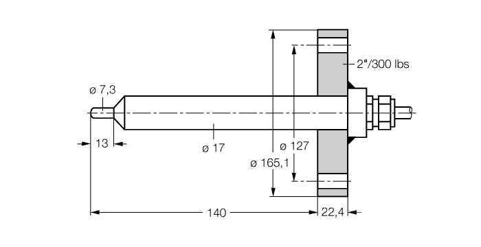
| Thiết kế | Immersion |
| Kết nối quá trình | Receptacle |
| Môi trường | liquids |
| Kiểu phát hiện | Calorimetric |
| Kết nối điện | Cable |
| Chiều dài cáp | 6.0 m |
| Vật liệu cảm biến | Stainless steel |
| Vật liệu thân | Stainless steel, 1.4571 (AISI 316Ti) |
| Nhiệt độ trung bình | -20…+85 °C |
| Cấp bảo vệ | IP67 |
| Phê duyệt | ATEX II 2G, ATEX II 2D |



