Cảm biến DW3000-110-7E-H1441
đại lý DW3000-110-7E-H1441
nhà phân phối DW3000-110-7E-H1441
Thông số chung
| EAN | 4047101256918 |
| eCl@ss-Code (V5.1.4): | 27270790 -/- Sensor for length, path (not classified) |
| Mã HS | 90318020000 |
| Xuất xứ | DE |
| Khối lượng | 1024 g |
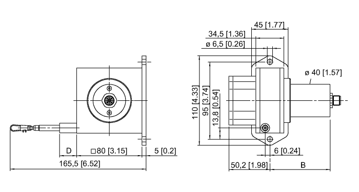
Thông số kỹ thuật cảm biến Turck:
| Thiết kế | Draw Wire |
| Phạm vi đo | 3000 mm [118.11 in] |
| Điện áp hoạt động | 12…30 VDC |
| Chức năng đầu ra | Analog output |
| Dòng điện đầu ra | 4…20 mA |
| Kết nối điện | Connector, M12 × 1 |
| Vật liệu thân | Titanium anodized aluminium |
| Nhiệt độ môi trường | -20…+60 °C |
| Cấp bảo vệ | IP65 |



