Cảm biến BI15R-W30-DAN6X-H1141
đại lý BI15R-W30-DAN6X-H1141
nhà phân phối BI15R-W30-DAN6X-H1141
Thông số chung
| EAN | 4047101068658 |
| eCl@ss-Code (V5.1.4): | 27270101 -/- Inductive proximity switch |
| Mã HS | 85365019900 |
| Xuất xứ | DE |
| Khối lượng | 79 g |
Thông số kỹ thuật cảm biến Turck:
| Thiết kế | Ring sensor |
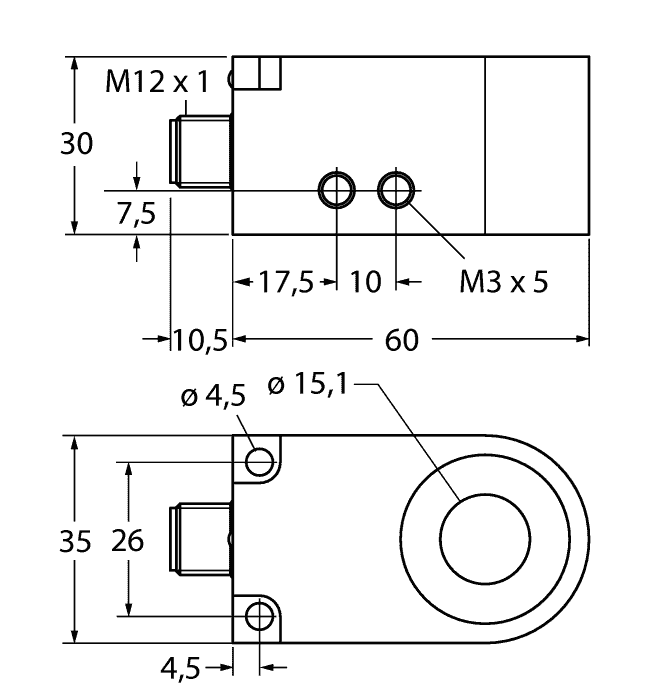
| Kích thước ren | 60 x 35 x 30 mm, W30 |
| Inside ring diameter D | 15.1 mm |
| Điện áp hoạt động | 10…30 VDC |
| Chức năng đầu ra | NO contact, NPN |
| Tần số chuyển đổi | 0.0080 kHz |
| Kết nối điện | Connector, M12 × 1 |
| Vật liệu thân | Plastic, PA12-GF30 |
| Nhiệt độ môi trường | -25…+70 °C |
| Cấp bảo vệ | IP67 |
| Tính năng đặc biệt | Ring sensor, dynamic output |



