Chưa có sản phẩm trong giỏ hàng.
Hiển thị kết quả duy nhất
Cảm biến quang
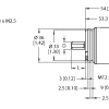
Cảm biến DS18VN6LPQ
Tên tài khoản hoặc địa chỉ email *
Mật khẩu *
Ghi nhớ mật khẩu Đăng nhập
Quên mật khẩu?